Product Summary
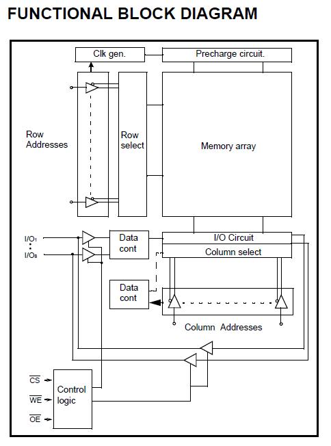
The K6X4008T1F-GF70 is a 512K 8 bit Low Power and Low Voltage CMOS Static RAM. It is fabricated by SAMSUNG’s advanced full CMOS process technology. The K6X4008T1F-GF70 supports various operating temperature range and have various package types for user flexibility of system design. The K6X4008T1F-GF70 also supports low data retention voltage for battery back-up operation with low data retention current.
Parametrics
K6X4008T1F-GF70 absolute maximum ratings: (1)Voltage on any pin relative to Vss: -0.2 to VCC+0.3(max. 3.9V) V; (2)Voltage on Vcc supply relative to Vss: -0.2 to 3.9 V; (3)Power Dissipation: 1.0 W; (4)Storage temperature: -65 to 150 ℃; (5)Operating Temperature: 0 to 70 ℃.
Features
K6X4008T1F-GF70 features: (1)Process Technology: Full CMOS; (2)Organization: 512K8; (3)Power Supply Voltage: 2.7~3.6V; (4)Low Data Retention Voltage: 2V(Min); (5)Three State Outputs; (6)Package Type: 32-SOP-525, 32-TSOP2-400F/R, 32-TSOP1-0813.4Fs.
Diagrams

![]() |
![]() K6X4008C1F-B |
![]() Other |
![]() |
![]() Data Sheet |
![]() Negotiable |
|
||||
![]() |
![]() K6X4008C1F-BF55 |
![]() Other |
![]() |
![]() Data Sheet |
![]() Negotiable |
|
||||
![]() |
![]() K6X4008C1F-F |
![]() Other |
![]() |
![]() Data Sheet |
![]() Negotiable |
|
||||
![]() |
![]() K6X4008C1F-Q |
![]() Other |
![]() |
![]() Data Sheet |
![]() Negotiable |
|
||||
![]() |
![]() K6X4008C1F-UF55 (ROHS) |
![]() Other |
![]() |
![]() Data Sheet |
![]() Negotiable |
|
||||
![]() |
![]() K6X4008CIF-GB55 |
![]() Other |
![]() |
![]() Data Sheet |
![]() Negotiable |
|
||||
(China (Mainland))








