Product Summary
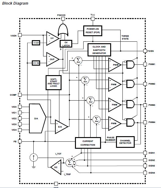
The HIP6301CB-T is a multi-phase PWM control IC together with its companion gate drivers.
Parametrics
Absolute maximum ratings: (1)Supply Voltage, VCC: +7V; (2)Input, Output, or I/O Voltage: GND -0.3V to VCC + 0.3V; (3)ESD Classification: 1.5KV.
Features
Features: (1)Multi-Phase Power Conversion; (2)Precision Channel Current Sharing: Loss Less Current Sampling - Uses rDS(ON); (3)Precision CORE Voltage Regulation: ±1% System Accuracy Over Temperature; (4)Microprocessor Voltage Identification Input: 5-Bit VID Input, 1.100V to 1.850V in 25mV Steps, Programmable "Droop" Voltage; (5)Fast Transient Recovery Time; (6)Over Current Protection; (7)Automatic Selection of 2, 3, or 4 Phase Operation.
Diagrams

| Image | Part No | Mfg | Description | ![]() |
Pricing (USD) |
Quantity | ||||||
|---|---|---|---|---|---|---|---|---|---|---|---|---|
![]() |
![]() HIP6301CB-T |
![]() Intersil |
![]() Switching Converters, Regulators & Controllers MPU CORE Volt Reg |
![]() Data Sheet |
![]() Negotiable |
|
||||||
| Image | Part No | Mfg | Description | ![]() |
Pricing (USD) |
Quantity | ||||||
![]() |
![]() HIP6002 |
![]() Other |
![]() |
![]() Data Sheet |
![]() Negotiable |
|
||||||
![]() |
![]() HIP6003 |
![]() Other |
![]() |
![]() Data Sheet |
![]() Negotiable |
|
||||||
![]() |
![]() HIP6004 |
![]() Other |
![]() |
![]() Data Sheet |
![]() Negotiable |
|
||||||
![]() |
![]() HIP6004ECB |
![]() |
![]() IC CTRLR PWM VOLTAGE MON 20-SOIC |
![]() Data Sheet |
![]() Negotiable |
|
||||||
![]() |
![]() HIP6004BCVZA-T |
![]() |
![]() IC CTRLR PWM VOLTAGE MON 20TSSOP |
![]() Data Sheet |
![]()
|
|
||||||
![]() |
![]() HIP6013CBZ-T |
![]() |
![]() IC CTRLR PWM STD BUCK 14-SOIC |
![]() Data Sheet |
![]()
|
|
||||||
(China (Mainland))













